企业邮箱登录
中文
|
EN
联系槟城
联系方式
在线留言
欧洲指数
电磁兼容
2020年欧洲杯希腊夺冠赔率
2020年欧洲杯夺冠赔率
2020年欧洲杯西班牙
2020年欧洲杯西班牙
2020年欧洲杯决赛
2020年欧洲杯夺冠
培训视频
产品展示
百家欧赔 (GDT)
半导体放电管(TSS)
瞬态抑制二极管(TVS)
静电保护器件(ESD)
板载浪涌保护(SPD)
光伏浪涌保护(SPD)
LED浪涌保护器(SPD)
压敏电阻(MOV)
压敏复合器件(BMG)
稳压管(Zener)
关于槟城
槟城简介
2020年欧洲杯
槟城荣誉
槟城文化
人力资源
首页
解决方案
2020年欧洲杯西班牙
2020年欧洲杯决赛
2020年欧洲杯夺冠
培训视频
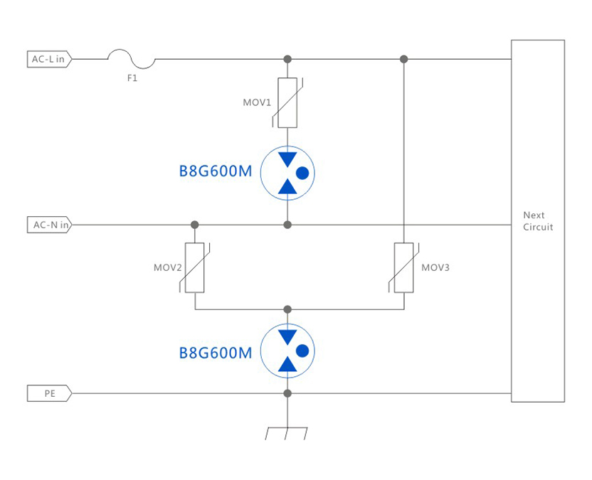
AC220V
AC220V
>
2020年欧洲杯西班牙
>
解决方案
>
1.2/50μs-8/20μs CM/DM10KV-5KA