联系槟城

欧洲指数

2020年欧洲杯西班牙

产品展示

关于槟城

首页

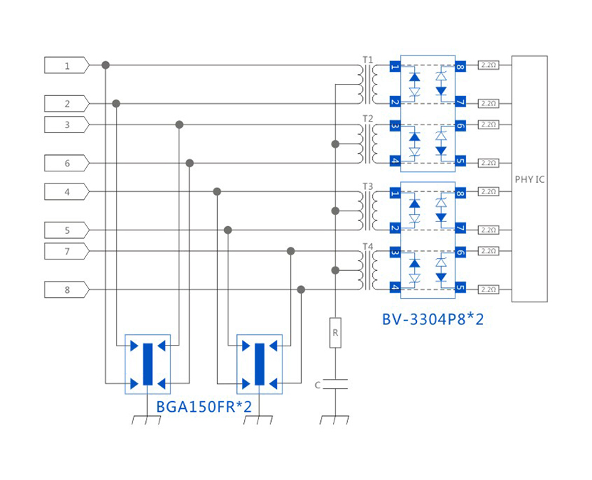
RJ45 8/20μs CM/DM 3KA